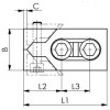
Kyvná upínka Format s drážkou 16 mm
Kód: 39340016Související produkty
Sada upínacích šroubů pro T drážky AMF 6520, všechny díly zušchlechtěné, pevnostní třídy 8, příp. 10
Matice pro T drážky AMF Rhombus DIN510 - M12x14 (80267)
Matice pro T drážky AMF Rhombus DIN510 - M20x22 (80309)
Ojnicová (páková) upínka AMF 6840 bez úhlové patky. Upínáky na principu tahu a tlaku, táhla a ruční páky pracují stejnoměrně
Detailní popis produktu
Kyvná upínka Format s drážkou 16 mm
Provedení: Zušlechtěné a popuštěné na brunýrovaný odstín. Mimořádně plochá konstrukce, žádné vyčnívající upínací šrouby. Čelisti se upínají současně díky klínovému efektu směrem dopředu a dolů.
Použití: Pro upínání nižších desek.
Rozsah dodávky: Kyvná upínka (pár) komplet s upevňovacími šrouby DIN 912, maticemi pro T-drážky DIN 508 (obj. č. 3902) a klíčem na šestihran DIN 911.
Technické parametry:
| Šířka drážky: | 16 mm |
| b: | 40 mm |
| c: | 3 mm |
| d: | M12 |
| h: | 20 mm |
| I: | 80 mm |
| I1: | 39 mm |
| l2: | 26 mm |
| F1: | 22 kN |
| F2: | 0,9 kN |
Doplňkové parametry
| Kategorie: | Upínací nářadí |
|---|---|
| Hmotnost: | 1.32 kg |
| EAN: | 4317784343244 |
Matice pro T drážky AMF Rhombus DIN510 - M14x16 (80275)
Rychloupínací vrtací sklíčidlo Format, lehké provedení
Matice pro T drážky AMF Rhombus DIN510 - M16x18 (80283)
Buďte první, kdo napíše příspěvek k této položce.
Pouze registrovaní uživatelé mohou vkládat hodnocení. Prosím přihlaste se nebo se registrujte.
Buďte první, kdo napíše příspěvek k této položce.
Pouze registrovaní uživatelé mohou vkládat příspěvky. Prosím přihlaste se nebo se registrujte.
Značka Format je vlastní značka firmy EDE. Format nabízí širokou škálu zboží od nástrojů na vrtání, frézování, upínání, měřící techniku, kleště, šroubováky, kladiva, svěrky, brusivo, pilníky atd. Vše v prvotřídní kvalite, většinou od evropských výrobců.
